Új termékek
SZÖGHAJTÁS T-27J 1:1 (55HP-40,4kW)
Kód:
11403
OEM:
9990000019557
Adó mértéke
22 %
Ár áfa nélkül:
111.330,65 HUF
Ár áfával:
135.823,40 HUF
Ref:
15
Visszatérés vagy csere:
14 nap
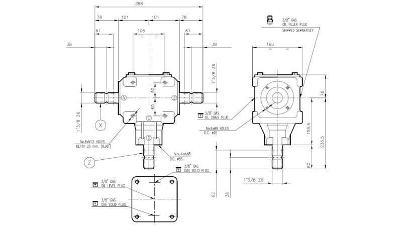
reduktor forgása:
bal / jobb (a hajtómű felszerelésétől függően)
reduktor típusa:
T-27J (szögátvitel)
bemeneti tengely:
kardán (1 ”3/8 - 6 fog)
gyártó kódja:
9.267.806.10
visszatérés vagy csere :
14 nap
hidraulikus tömlő:
bal/jobb (a reduktor telepítésétől függően)
üzemanyag:
9.267.806.10
max. terhelés:
55 HP (40,4 kW)
kenőanyag:
SAE 90 1,2 liter olajat kell önteni a hajtóműbe
sűrűség:
55 HP (40.4 kW)
hidraulikus csatlakozás:
kardán (1”3/8 – 6 fog)
mélység:
T-27J (szögátviteli)
kimenő tengely:
kardán (1 ”3/8 - 6 fog)
gyors csatlakozó :
olajat kell önteni SAE 90 1.2 liter a reduktorba.
hidraulikus löket - henger :
kardán (1”3/8 – 6 fog)


.jpg)
.jpg)
.jpg)




