Nya produkter
PRIORITETSVENTIL 3/8 MED SKALA OCH SÄKERHETSVENTIL 0-30LIT, 0-200BAR
Produktkod:
13097
OEM:
9990000087495
Skattesats
22 %
Pris utan moms:
1.099,39 SEK
Pris med moms:
1.341,25 SEK
Ref:
3
Beskrivning:
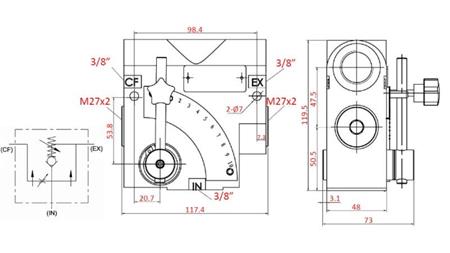
Prioritetsventilen med skala och säkerhetsventil används för flödesreglering med tryckkompensation, där flödet ändras beroende på spakens position. Ventilen är monterad på en plan yta.
CF-anslutning (Kontrollerat flöde) - Flödet som kommer från CF-anslutningen kompenseras av tryck och är proportionellt mot spakens position. Flödet från CF kan justeras efter önskemål.
EX-anslutning (Överskottsflöde) - Flödet som kommer från EX-anslutningen kompenseras. Om spaken är inställd på 0 kommer hela flödet att gå ut genom EX-anslutningen. EX-anslutningen måste ledas till tanken.
Leverantör:
Spanien
Retur eller byte:
14 dagar
Produktvikt:
3.80 kg
Garanti:
6 månader
max. justerbart tryck:
0-200 bar
max. justerbart flöde:
0 - 30 l/min
Max. flöde:
30 l/min
max. tryck:
200 bar








