Jauni produkti
HIDRAULISKĀ SŪKŅA GR.3 34 CC KREISĀ - PIEDURKNES
Produkta kods:
11879
OEM:
9990000036615
Nodokļu likme
22 %
Cena bez PVN:
127,05 EUR
Cena ar PVN:
155,00 EUR
Ref:
5

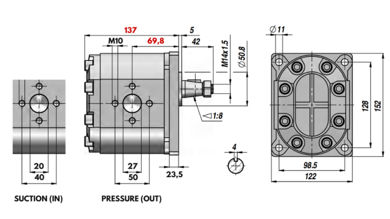
Plūsma (L/min) | Darba spiediens (bar) | Maks. spiediens (bar) | RPM | A (mm) | B (mm) |
34 | 200 | 250 | 3000 | 137 | 69.8 |
39 | 141 | 71.8 | |||
43 | 2800 | 143.5 | 73 | ||
46 | 2400 | 146.5 | 74 | ||
51 | 149.5 | 76 | |||
55 | 152 | 78 |
Piegādātājs:
Spānija
griešanās virziens:
left
Darba spiediens:
200 bāri
Atgriešana vai apmaiņa:
nav iespējams
spiediena izplūdes vītnes diametrs:
50 mm
sūkšanas atveres vītnes diametrs:
40 mm
maks. strāvas spiediens:
250 bāri
max. apgriezieni:
3000 apgr./min
Plūsma:
34 (L/min)










