Neue Artikel
HYDRAULIK-REDUZIERSTÜCK (20S) M30X2 - (16S) M24X1,5
Artikel Nummer
89036
OEM:
9990000022830
Steuersatz
22 %
Preis exklusive Mehrwertsteuer:
3,44 EUR
Preis inklusive Mehrwertsteuer:
4,20 EUR
Ref:
33

|
|
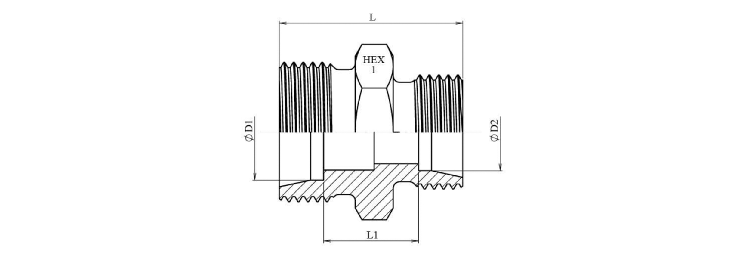
ØD1 |
ØD2 |
Series |
(bar) |
L |
L1 |
HEX 1 |
(Kg) |
|
89029 |
8 |
6 |
L |
500 |
25 |
11 |
14 |
0,034 |
|
89030 |
10 |
26 |
12 |
17 |
0,020 |
|||
|
89031 |
8 |
0,021 |
||||||
|
89032 |
12 |
10 |
400 |
28 |
14 |
19 |
0,027 |
|
|
89033 |
15 |
12 |
29 |
15 |
24 |
0,042 |
||
|
89034 |
18 |
15 |
31 |
16,5 |
27 |
0,062 |
||
|
89035 |
16 |
14 |
S |
420 |
38 |
21,5 |
0,134 |
|
|
89036 |
20 |
16 |
42 |
23 |
32 |
0,129 |
||
|
89037 |
25 |
20 |
48 |
21,5 |
41 |
0,299 |
Hergestellt aus Kohlenstoffstahl






