Nuovi Prodotti
VALVOLA PROPORZIONALE PER SOLLEVATORE ANTERIORE DEL TRATTORE - OPEN CENTER LVM92 EHP
| Informazioni tecniche | |
|
Fornitore: |
Turchia |
|
Reso o cambio: |
14 giorni |
|
Garanzia: |
6 mesi |
|
Tipo: |
OPEN CENTER |
|
Pressione di esercizio: |
250 bar |
|
Portata nominale: |
90 lit/min |
|
Filetto di collegamento: |
1/2" |
|
Numero sezioni: |
2 |
Descrizione
LVM92-EHP è una valvola monoblocco progettata per caricatore frontale per trattori, che offre eccellenti caratteristiche di funzionamento proporzionale e facile installazione. Presenta portate fino a 90 l/min e pressioni di esercizio fino a 250 bar.
La valvola fornisce un controllo completamente elettro-proporzionale, inclusa la funzione flottante, indipendentemente dal carico e dalle condizioni di funzionamento.
Il kit include la valvola, un joystick di controllo proporzionale e il cablaggio elettrico.
Applicazione

Per un corretto funzionamento del sistema, seguire attentamente tutti i passaggi sottostanti:
- Effettuare il collegamento come mostrato sopra.
- Assicurarsi che l'accumulatore idraulico sia collegato correttamente.
- Verificare che la pressione di ingresso non superi i 250 bar.
- Assicurarsi che la portata nominale sia di 90 l/min.
- Controllare che le connessioni sulle porte B1, A1, A2 e B2 siano collegate correttamente.
- Assicurarsi che la linea di drenaggio (perdite) sia collegata correttamente.
- Verificare che le linee T (serbatoio) e P (pressione) siano collegate e funzionanti correttamente.

- Se sono presenti due valvole nella linea idraulica, collegare l'uscita carry-over della prima valvola all'ingresso pressione della seconda valvola.
- Se viene utilizzata una sola valvola, collegare l'uscita carry-over della valvola direttamente al serbatoio.


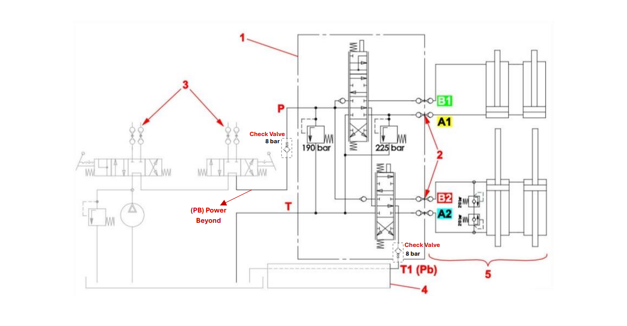
Lo schema mostra un sistema idraulico OPEN CENTER:
1. Valvola proporzionale (LVM92 EHP) sul lato destro dell'interfaccia di attacco.
2. Interfaccia per caricatore frontale del trattore.
3. Le valvole idrauliche già installate sul trattore possono essere usate per altri utilizzatori.
4. Altre valvole o valvole ausiliarie.
5. Caricatore frontale del trattore.
Tre linee idrauliche (P, T1, T) collegano la valvola proporzionale OPEN CENTER al sistema idraulico del trattore:
- P – linea di pressione
- T – linea di ritorno (serbatoio)
- T1 – pressione di passaggio (Power Beyond – "PB") + valvola di non ritorno a molla da 8 bar

Collegare la valvola come mostrato sopra:
- Assicurarsi che la tensione del sistema sia 12 V.
- Verificare che il cavo di alimentazione sia collegato correttamente.
- Il sistema deve includere un cavo a catena e una resistenza da 120 ohm.
- Dopo aver collegato il joystick, assicurarsi che i LED ACAS si accendano di verde.
- Controllare che tutti i cavi siano saldamente e correttamente collegati.

- Pulsante BLU: valvola di controllo direzionale 6/2 (pulsante a pressione)
- Pulsante ROSSO: funzione flottante (pulsante a scatto)
- Pulsante VERDE: lento/veloce (pulsante a scatto)
Funzione flottante: Muovere il joystick nella direzione B1 (abbassamento). Mentre il joystick è in posizione B1, premere il pulsante flottante (FLOAT) per attivare la modalità flottante. Attenzione: Non eseguire questa operazione quando il caricatore è sollevato troppo in alto.









