Nové položky
HYDRAULICKÝ VENTIL P81-Rs AUTOMATICKÝ PRE ŠTIEPAČKU - DVOJRÝCHLOSTNÝ
Kód
10707
OEM
9990000006281
Sadzba dane
22 %
Cena bez DPH:
81,97 EUR
Cena s DPH
100,00 EUR
Ref:
31
| Technické informácie | |
| Dodávateľ: | Bulharsko |
| Vrátenie alebo výmena: | 14 dní |
| Záruka: | 6 mesiacov |
| Menovitý prietok oleja: | 80 l/min |
| Chod vretena: | ± 7,9 mm |
| Prevádzkový teplotný rozsah: | od −40 °C do +60 °C |
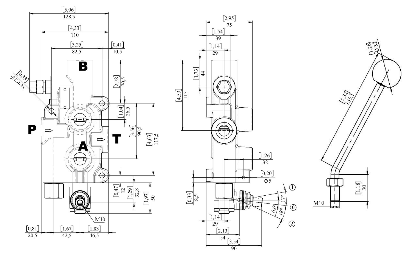
| Závit pripojenia: | Porty P a T – 3/4", porty A a B – 1/2" |
| Max. tlak: | Port P – 250 bar, port T – 50 bar, porty A a B – 300 bar |
| Bezpečnostný odvzdušňovací ventil: | výrobne nastavený na 150 bar |
Popis
P81-RS je kompaktný a robustný dvojrýchlostný hydraulický ventil navrhnutý pre štiepačky dreva. Umožňuje prietok až do 80 l/min a je vybavený bezpečnostným poistným ventilom tlaku.
Ventil má funkciu automatického uvoľnenia tlaku. Po dosiahnutí nastavenej hodnoty tlaku (výrobné nastavenie je 150 bar) sa páka automaticky vráti do neutrálnej polohy.













