Nové položky
PROPORČNÝ RIADIACI VENTIL PRE PREDNÝ NAKLADAČ TRAKTORA - LOAD SENSING LVM92 EHP
| Technické informácie | |
|
Dodávateľ: |
Türkiye |
|
Vrátenie alebo výmena: |
14 dní |
|
Záruka: |
6 mesiacov |
|
Typ: |
LOAD SENSING |
|
Prevádzkový tlak: |
250 barov |
|
Menovitý prietok: |
90 lit/min |
|
Pripojovací závit: |
1/2" |
|
Počet sekcií: |
2 |
Popis
LVM92-EHP je monoblokový ventil navrhnutý pre predné nakladače, ktorý ponúka vynikajúce proporcionálne prevádzkové charakteristiky a jednoduchú inštaláciu, s prietokmi až do 90 l/min a prevádzkovými tlakmi až do 250 barov.
Ventil zabezpečuje plne elektro-proporcionálnu kontrolu vrátane plavákovej funkcie, bez ohľadu na zaťaženie stroja a prevádzkové podmienky.
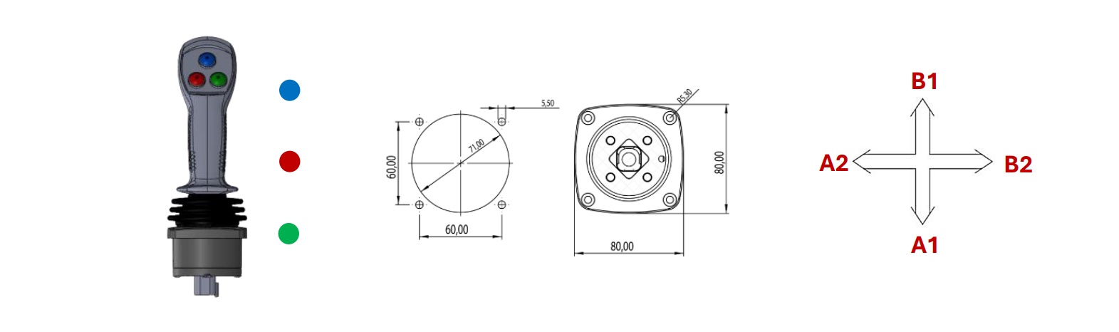
Súprava obsahuje ventil, proporcionálny ovládací joystick a elektrické káblovanie.
Funkcia Load Sensing poskytuje ešte presnejšiu proporcionálnu kontrolu a zvýšenú efektivitu systému.
Použitie

Pre správnu prevádzku systému dôkladne postupujte podľa všetkých nižšie uvedených krokov:
- Pripojte podľa vyššie uvedeného obrázka.
- Uistite sa, že hydraulický akumulátor je správne pripojený.
- Skontrolujte, či vstupný tlak neprekračuje 250 barov.
- Uistite sa, že menovitý vstupný prietok je 90 l/min.
- Skontrolujte, či sú pripojenia na portoch B1, A1, A2 a B2 správne pripojené.
- Uistite sa, že odtoková alebo netesniaca línia je správne pripojená.
- Skontrolujte, či línie T (nádrž) a P (tlak) sú pripojené a správne fungujú.



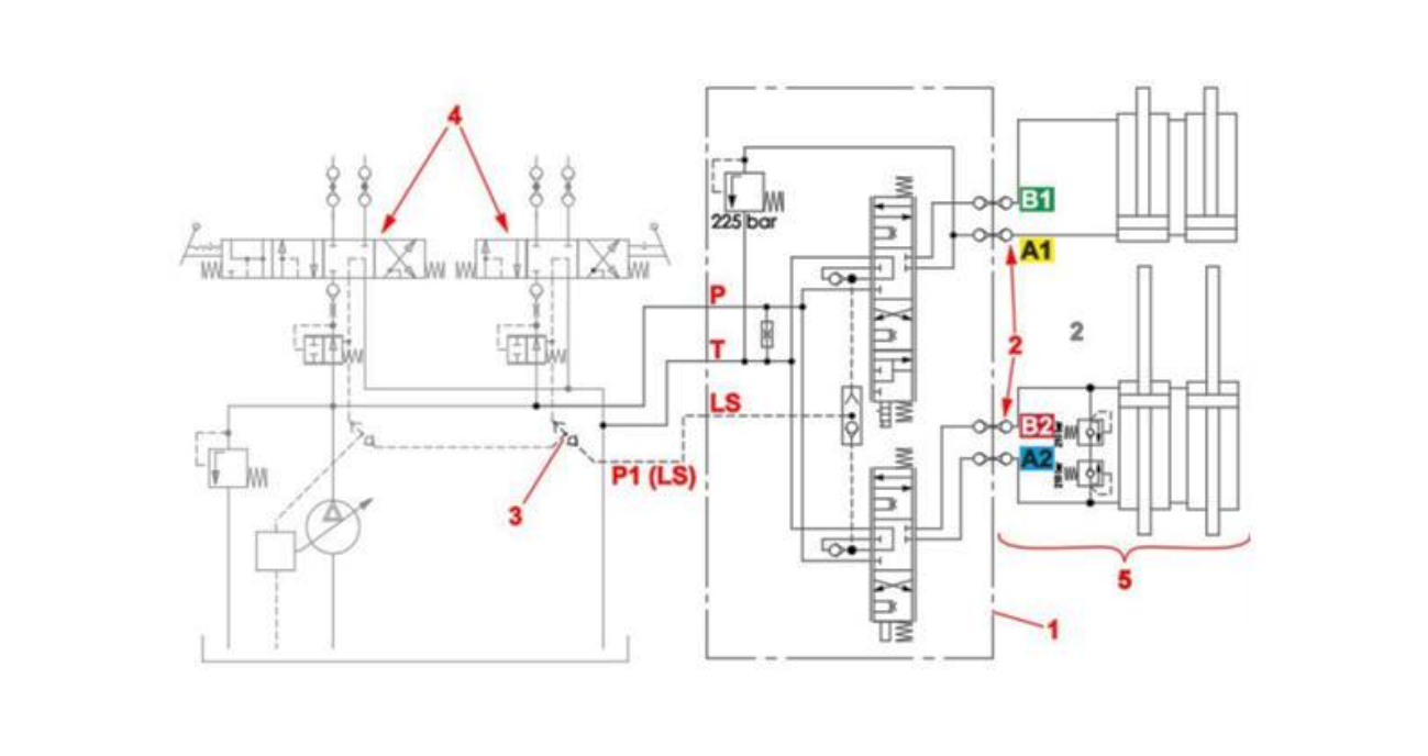
Schéma ukazuje hydraulický systém LOAD SENSING:
1. Proporcionálny ventil (LVM92 EHP) na pravej strane rozhrania príslušenstva.
2. Rozhranie pre predný nakladač traktora.
3. Dodatočný prepínací ventil pre Load Sensing.
4. Hydraulické ventily už namontované na traktore môžu byť použité pre ostatných spotrebiteľov.
5. Predný nakladač traktora.
Tri hydraulické línie (P, T, P1) spájajú proporcionálny ventil LOAD SENSING s hydraulickým systémom traktora:
- P – tlaková línia
- T – vratná línia (nádrž)
- P1 – Load Sensing (LS)

Pripojte ventil podľa vyššie znázorneného:
- Uistite sa, že napätie systému je 12 V.
- Skontrolujte, či je napájací kábel správne pripojený.
- Systém musí obsahovať reťazový kábel a odpor 120 ohmov.
- Po pripojení joysticku sa uistite, že LED diódy ACAS svietia zeleno.
- Skontrolujte, či sú všetky káble pevne a správne pripojené.

- MODRÉ tlačidlo: 6/2 smerový ovládací ventil (stlačiteľné tlačidlo)
- ČERVENÉ tlačidlo: plaváková funkcia (prepínacie tlačidlo)
- ZELENÉ tlačidlo: pomalý/ rýchly (prepínacie tlačidlo)
Plaváková funkcia: Posuňte joystick smerom B1 (spúšťanie). Pokým je joystick v polohe B1, stlačte tlačidlo FLOAT pre aktiváciu plavákového režimu. Upozornenie: Nevykonávajte túto operáciu, keď je predný nakladač traktora zdvihnutý príliš vysoko.









