Novi proizvodi
OSOVINA ZA CIRKULAR LIJEVANOŽELJEZNA 300MM (DESNI NAVOJ)
|
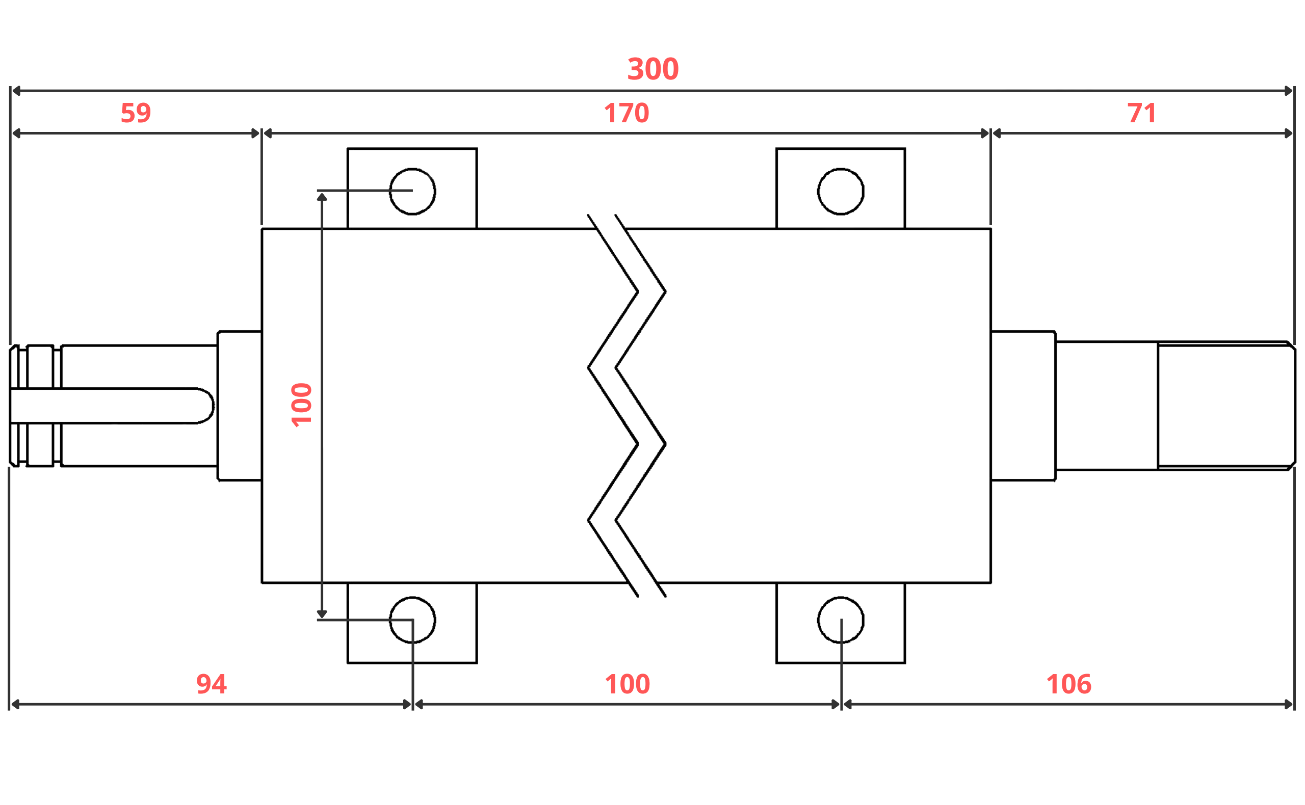
Tehnički podaci |
|
| Promjer remenice: | 90 mm |
| Dobavljač: | Poljska |
| Povrat ili zamjena: | 14 dana |
| Veličina remena: | 2 × 17 mm |
| Garancija: | 6 mjeseci |
| Navor: | M30 × 2 Lijevi navoj |
| Materijal: | Lijevano željezo, osovina i remenica su od čelika |
OPIS:
Kompaktna i robusna osovina za kružne pile, spremna za brzu ugradnju. Izrađena od debelostijenih cijevi od lijevanog željeza i opremljena čeličnim ležajevima 2x6207, osigurava miran rad, dug vijek trajanja i pouzdano stezanje lista pile. desni navoj M30×2 omogućuje sigurno i ponovljivo zatezanje.
Glavne prednosti
-
Kućište ležaja visoke kvalitete za stabilnost i trajnost
-
Precizno vođena osovina za ravnomjeran i tih rad
-
Pripremljeno za pogon s dvostrukim klinastim remenom (2 × 17 mm)
-
Desni navoj M30×2 za sigurno pričvršćivanje lista pile
-
Jednostavna montaža i održavanje
Tipične primjene
Cirkulari za drva, stolarske kružne pile, građevinski strojevi i drugi stacionarni/prijenosni uređaji za piljenje.












