Nieuwe artikelen
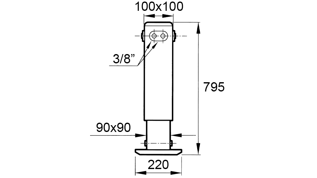
DUBBELWERKENDE HYDRAULISCHE STEUNPOOT (100x100x795 mm) - SLAG 500 mm - 3.800 kg
| Technische informatie | |
| Leverancier: | Italië |
| Retour of ruilen: | 14 dagen |
| Garantie: | 6 maanden |
| Hoogte: | 795 mm |
| Slag: | 500 mm |
| Draagvermogen: | max. 3800 kg |
| Hydraulische aansluiting: | 3/8" |
| Productgewicht: | 39 kg |
Beschrijving
Het dubbelwerkende hydraulische steunbeen is ontworpen om stabiele en veilige ondersteuning te bieden voor aanhangers, landbouwwerktuigen en andere werkmachines. Het werkt volgens het principe van een dubbelwerkende hydraulische cilinder, waarmee hydraulisch zakken en heffen onder belasting mogelijk is.
Aansluiting op het hydraulische systeem van de trekker of machine zorgt voor eenvoudige bediening evenals snelle en efficiënte hoogteverstelling. Dankzij de hydraulische werking is het gebruik aanzienlijk gemakkelijker in vergelijking met mechanische steunpoten, vooral bij het hanteren van zwaardere belastingen.
Een ideale oplossing voor professioneel gebruik, waar snelle verstelling en hoog draagvermogen essentieel zijn.








