Nieuwe artikelen
ERC04 TANDWIELKAST VOOR ELEKTRISCHE MOTOR MS100 (2.2-3-4KW) VERHOUDING 25:1
Beschrijving:
ERC tandwielkasten worden gebruikt in combinatie met elektrische motoren. ERC tandwielkasten zijn ontworpen op basis van een modulair systeem. We kunnen verschillende soorten motoren aansluiten (klassiek, frequentie, rem ...). Het wordt gebruikt in toepassingen zoals de bouw, voedingsindustrie (vleesmolen...), aandrijfriemen (rollen, enz.) en meer.
De tandwielkast vermindert de omwentelingen van de elektrische motor tot de waarde waarmee we willen werken. De tandwielkasten hebben een verhouding van 25:1.
Bij het installeren van de tandwielkast, zorg altijd voor:
- de gegevens op het typeplaatje komen overeen met de gegevens van het bestelde item
- de behuizing en assen zijn schoon en onbeschadigd
- het oppervlak waarop de tandwielkast is bevestigd is vlak en sterk genoeg
- de tandwielkast en de as van de elektrische motor passen goed
- als er een mogelijkheid is van trillingen of vastlopen, moet er een koppelbegrenzer worden geïnstalleerd
- draaiende delen zijn bedekt met plastic afdekkappen
- het apparaat dat buitenshuis wordt gebruikt moet adequaat tegen weersinvloeden worden beschermd
- de bedrijfsomstandigheden veroorzaken geen corrosie (tenzij vooraf afgesproken en de tandwielkast en elektrische motor goed zijn voorbereid)
- tandwielen, as tandwielen, in- en uitgaande assen zijn goed beveiligd zodat ze geen radiale of axiale belastingen krijgen die de maximaal toegestane limiet overschrijden
- alle koppelingen zijn gecoat met anti-corrosiemateriaal om oxidatie bij contact te voorkomen
- alle bevestigingsschroeven moeten stevig zijn aangedraaid
- draai de voet van de behuizing en de montageflenzen niet tegen elkaar aan en zorg ervoor dat je de toegestane radiale en axiale belasting in acht neemt.
- Controleer voor het starten het oliepeil dat wordt aanbevolen voor de gemonteerde positie. De oliecontrole- en afvoerschroef en het ontluchtingsventiel zijn gemakkelijk toegankelijk.
- Sla nooit op pulleys, koppelingen, tandwielen, enz. aan het uiteinde van de as met een hamer. Dit zal de lager, behuizing en as beschadigen
Alle berekeningen zijn gebaseerd op elektrische motoren met 1400 omwentelingen. Als je een elektrische motor gebruikt met een andere snelheid dan 1400 omwentelingen per minuut, deel dan de invoeromwentelingen door de tandwielkastverhouding om de uitvoeromwentelingen te krijgen.
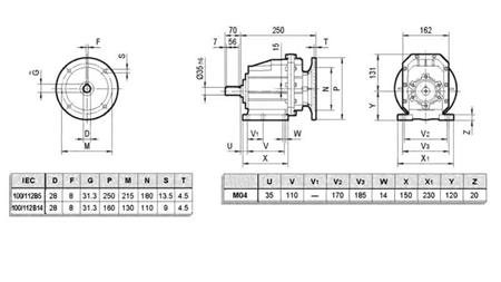
Meer technische gegevens zijn te vinden in de bijlage 'AFMETINGEN - DATASHEET'.



%20RAZMERJE%2025proti1.jpg)
%20RAZMERJE%2025proti1.jpg)
%20RAZMERJE%2025proti1.jpg)


