Nieuwe artikelen
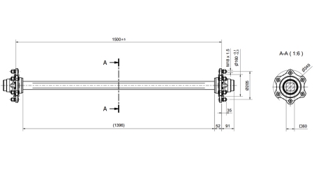
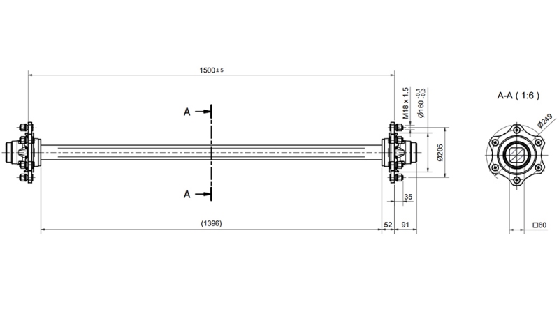
AS VOOR AANHANGWAGEN ZONDER REMMEN (6 SCHROEVEN) - 4800 kg - 1500 mm
Code:
100408
OEM:
9990000047949
BTW-tarief
22 %
Prijs exclusief BTW:
196,72 EUR
Prijs inclusief BTW:
240,00 EUR
Ref:
23
| Technische informatie | |
| Leverancier |
Italië |
| Retour of ruilen |
14 dagen |
| Garantie |
6 maanden |
| Draagvermogen |
tot 4800 kg |
| Breedte |
1500 mm |
| Aantal bouten |
6 |
Beschrijving
De geremde traileras is ontworpen voor veilig en betrouwbaar gebruik bij belastingen tot 4800 kg.
Hij is verkrijgbaar met een naaf met 6 bouten, waardoor het gebruik van geschikte standaardvelgen mogelijk is. Dankzij de robuuste constructie is hij geschikt voor vracht-, landbouw- en industriële aanhangers, evenals andere transportoplossingen waarbij stabiliteit en betrouwbare remmen essentieel zijn.
De as is ontworpen voor een lange levensduur en gemakkelijke installatie op verschillende soorten aanhangers.
.png)


.jpg)
.jpg)

