Nauji produktai
PRIORITETINIS VOŽTUVAS 3/4 SU SKALE IR SAUGOS VOŽTUVU 0-110LIT, 0-200BAR
Produkto kodas:
13099
OEM:
9990000087518
Mokesčių tarifas
22 %
Kaina be PVM:
102,46 EUR
Kaina su PVM:
125,00 EUR
Ref:
7
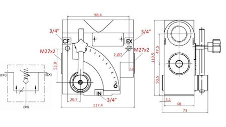
Aprašymas:
Prioritetinis vožtuvas su skale ir saugos vožtuvu naudojamas srautui reguliuoti su slėgio kompensacija, kur srautas keičiasi pagal svirties padėtį. Vožtuvas montuojamas ant plokščio paviršiaus.
CF jungtis (Kontroliuojamas srautas) - Srautas, ateinantis iš CF jungties, kompensuojamas su slėgiu ir proporcingas svirties padėčiai. Srautas iš CF gali būti reguliuojamas pagal poreikį.
EX jungtis (Perteklinis srautas) - Srautas, ateinantis iš EX jungties, kompensuojamas. Jei svirtis nustatyta į 0, visas srautas išeis per EX jungtį. EX jungtis turi būti nukreipta į baką.
Tiekėjas:
Ispanija
Grąžinimas arba keitimas:
14 dienų
Produkto svoris:
3.80 kg
Garantija:
6 mėnesiai
maks. reguliuojamas slėgis:
0-200 bar
max. reguliuojamas srautas:
0 - 110 l/min
Maks. srautas:
110 l/min
max. slėgis:
200 bar









