Novi proizvodi
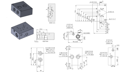
CETOP PODNOŽJE NG10-1-RV
| Tehničke informacije | |
|
Dobavljač: |
Turkiye |
|
Vraćanje ili zamjena: |
14 dana |
|
Jamstvo: |
6 mjeseci |
|
Tip: |
NG10-1-RV |
|
Materijal: |
Aluminij |
|
Pritisak: |
max. 250 bar |
|
Protok: |
max. 80 l/min |
Opis
CETOP NG10-1 podploča je standardizirana montažna ploča dizajnirana za ugradnju hidrauličkih ventila veličine NG10 (CETOP 5) u skladu sa standardom ISO 4401-05. Omogućuje jednostavno, brzo i pouzdano povezivanje ventila s hidrauličkim sustavom.
CETOP NG10-RV podploča je unaprijeđena verzija standardne NG10 (CETOP 5 / ISO 4401-05) podploče, s integriranim ventilom za oslobađanje tlaka. Namijenjena je zaštiti hidrauličkog sustava od prekomjernog tlaka te osigurava siguran i pouzdan rad.
Integrirani ventil za oslobađanje tlaka omogućuje ograničenje tlaka izravno na podploči, smanjujući potrebu za dodatnim komponentama, pojednostavljujući instalaciju i pružajući kompaktniji dizajn sustava.
Dimenzije









