Νέα προϊόντα
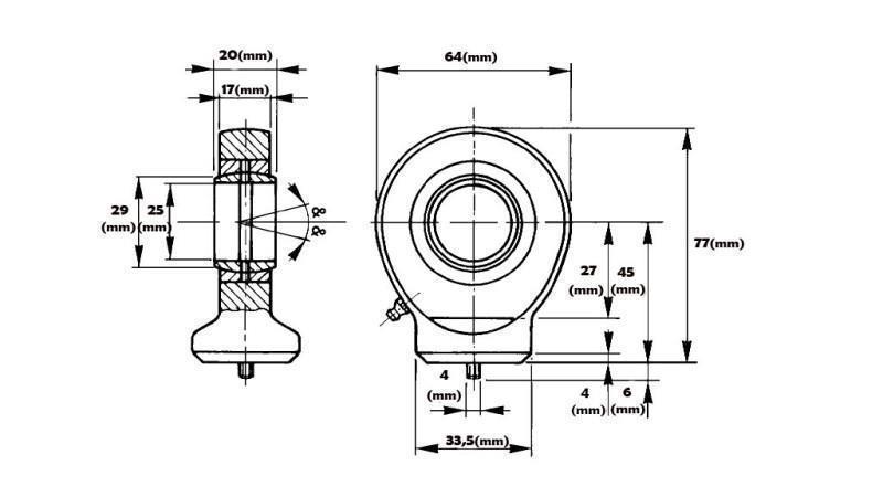
ΡΑΦΗ ΜΑΤΙΟΥ - ΣΦΑΙΡΙΚΗ ΣΥΝΔΕΣΗ Φ 25/33.5
Κωδικός προϊόντος:
100013
OEM:
9990000014552
Συντελεστής φόρου
22 %
Τιμή χωρίς ΦΠΑ:
8,20 EUR
Τιμή με ΦΠΑ:
10,00 EUR
Ref:
95
Σφαιρικά ρουλεμάν GE
– οι συνδέσεις ραφής ματιού είναι σχεδιασμένες για συγκόλληση σε υδραυλικούς κυλίνδρους, ράβδους, στηρίγματα και άλλα παρόμοια μέρη όπου απαιτείται κίνηση. Λόγω του σχεδιασμού τους, προορίζονται για υψηλότερα φορτία ή ικανότητες. Ο σχεδιασμός τους δεν απαιτεί ειδική συντήρηση, με αποτέλεσμα μια σημαντικά μεγάλη διάρκεια ζωής.
Προμηθευτής:
Ιταλία
μέγιστο δυναμικό φορτίο:
4.80 τόνοι
πρότυπο:
DIN 648, Σειρά E, τύπος C
Επιστροφή ή ανταλλαγή:
14 ημέρες
Εγγύηση:
6 μήνες







