Uudet tuotteet
PMRV-90 VAIHTEISTO SÄHKÖMOOTTORILLE MS100 (2.2-3-4KW) VAIHTOSUHDE 20:1
Tuotekoodi:
13285
OEM:
9990000092857
Verokanta
22 %
Hinta ilman ALV:tä:
196,72 EUR
Hinta ALV:n kanssa:
240,00 EUR
Ref:
8
Lisäkuvaus:
| sähkökäyttö | vaihteisto | ulostulo vääntö M2 [Nm] | turvakerroin - SF |
|---|---|---|---|
| 2.2kW (MS100) | RV-90 | 249 | 1.4 |
| 3kW(MS100) | 340 | 1.0 | |
| 4kW(MS100) | 453 | 0.8 |
Kuvaus:
PMRV-vaihteistot käytetään yhdessä sähkökäyttöjen kanssa.
Vaihteisto vähentää sähkökäytön kierroksia haluttuun arvoon. Vaihteistoilla on erilaisia suhteita 7.5:1 - 10:1 - 20:1 - 40:1.
Asennettaessa vaihteistoa, varmista aina, että:
- tietoja nimilapussa vastaavat tilatun tuotteen tietoja
- kotelo ja akselit ovat puhtaita ja vahingoittumattomia
- pinta, johon vaihteisto on kiinnitetty, on tasainen ja tarpeeksi vahva
- vaihteisto ja sähkökäytön akseli sopivat hyvin yhteen
- jos on mahdollisuus tärinälle tai jumittumiselle, on asennettava vääntömomentin rajoitin
- pyörivät osat on peitetty muovikansilla
- ulkona käytettävän laitteen on oltava asianmukaisesti säänkestävä
- käyttöolosuhteet eivät aiheuta korroosiota (ellei aikaisemmin sovittu ja vaihteisto ja sähkökäyttö on asianmukaisesti valmisteltu)
- vaihteet, akselivaihteet, syöttö/ulostuloakselit on asianmukaisesti kiinnitetty, jotta vältetään radiaaliset tai aksiaaliset kuormat, jotka eivät ylitä sallittua maksimiarvoa
- kaikki liitännät on päällystetty korroosionestomateriaalilla hapettumisen estämiseksi kosketuksessa
- kaikki kiinnityspultit on tiukasti kiristetty
Kaikki laskelmat perustuvat sähkökäyttöihin, joissa on 1400 kierrosta. Jos käytät sähkökäyttöä, jonka nopeus on eri kuin 1400 kierrosta minuutissa, jaa syöttökierrokset vaihteiston suhteella saadaksesi ulostulokierrokset.
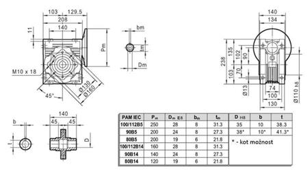
Lisätietoja teknisistä tiedoista löytyy liitteestä 'MITAT - TUOTESELOSTE'.
Toimittaja:
Puola
Palautus tai vaihto:
14 päivää
Suhde:
20 : 1
Tuotteen paino:
13 kg
Teho RPM:
70 rpm
Takuu:
1 vuosi
sähkökoneen syöttökierrokset:
1400 rpm







