Uudet tuotteet
PMRV-150 VAIHTEISTO SÄHKÖMOOTTORILLE MS132 (7.5KW) SUHDE 40:1
Tuotekoodi:
12828
OEM:
9990000080366
Verokanta
22 %
Hinta ilman ALV:tä:
590,98 EUR
Hinta ALV:n kanssa:
721,00 EUR
Ref:
1
Lisäkuvaus:
| sähkömoottori | vaihteisto | ulostulo vääntö M2 [Nm] | turvakerroin - SF |
|---|---|---|---|
| 7.5kW (MS132) | RV-150 | 1550 | 1.0 |
Kuvaus:
PMRV-vaihteistoja käytetään yhdessä sähkömoottoreiden kanssa.
Vaihteisto vähentää sähkömoottorin kierroksia haluttuun arvoon, jolla haluamme toimia. Vaihteistoilla on erilaisia suhteita 7.5:1 - 10:1 - 20:1 - 40:1.
Vaihteistoa asennettaessa on aina varmistettava, että:
- tiedot tyyppikilvessä vastaavat tilatun tuotteen tietoja
- kotelo ja akselit ovat puhtaita ja vahingoittumattomia
- pinta, johon vaihteisto on kiinnitetty, on tasainen ja tarpeeksi vahva
- vaihteiston ja sähkömoottorin akseli sopii hyvin
- jos on mahdollisuus tärinään tai jumittumiseen, on asennettava vääntömomentin rajoitin
- pyörivät osat on peitetty muovikansilla
- ulkona käytettävän laitteen on oltava riittävästi säänkestävä
- käyttöolosuhteet eivät aiheuta korroosiota (ellei aikaisemmin sovittu ja vaihteisto ja sähkömoottori on asianmukaisesti valmisteltu)
- vaihteet, akselivaihteet, sisään-/uloskäynnit on asianmukaisesti kiinnitetty, jotta vältetään radiaaliset tai aksiaaliset kuormat, jotka eivät ylitä suurinta sallittua rajaa
- kaikki liitännät on päällystetty korroosionestomateriaalilla hapettumisen estämiseksi kosketuksessa
- kaikki kiinnitysruuvit on tiukasti kiristetty
Kaikki laskelmat perustuvat sähkömoottoreihin, joissa on 1400 kierrosta. Jos käytät sähkömoottoria, jonka nopeus on eri kuin 1400 kierrosta minuutissa, jaa syöttökierrokset vaihteiston suhteella saadaksesi ulostulokierrokset.
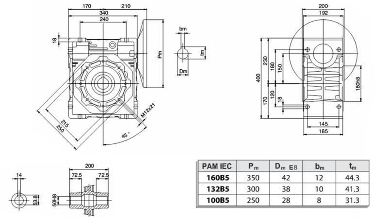
Lisätietoja teknisistä tiedoista löytyy liitteestä 'MITAT - TUOTESELOSTE'.
Toimittaja:
Puola
Palautus tai vaihto:
14 päivää
Suhde:
40 : 1
Tuotteen paino:
84 kg
Teho RPM:
35 rpm
Takuu:
1 vuosi
sähkökoneen syöttökierrokset:
1400 rpm







