Uued tooted
HÜDRAULIKAPUMP 00C1.5X032 GR.0 - 1,5cc - PAREM
Toote kood:
14750
OEM:
9990000178797
Maksumäär
22 %
Hind ilma KM-ta:
61,48 EUR
Hind koos KM-ga:
75,00 EUR
Ref:
0
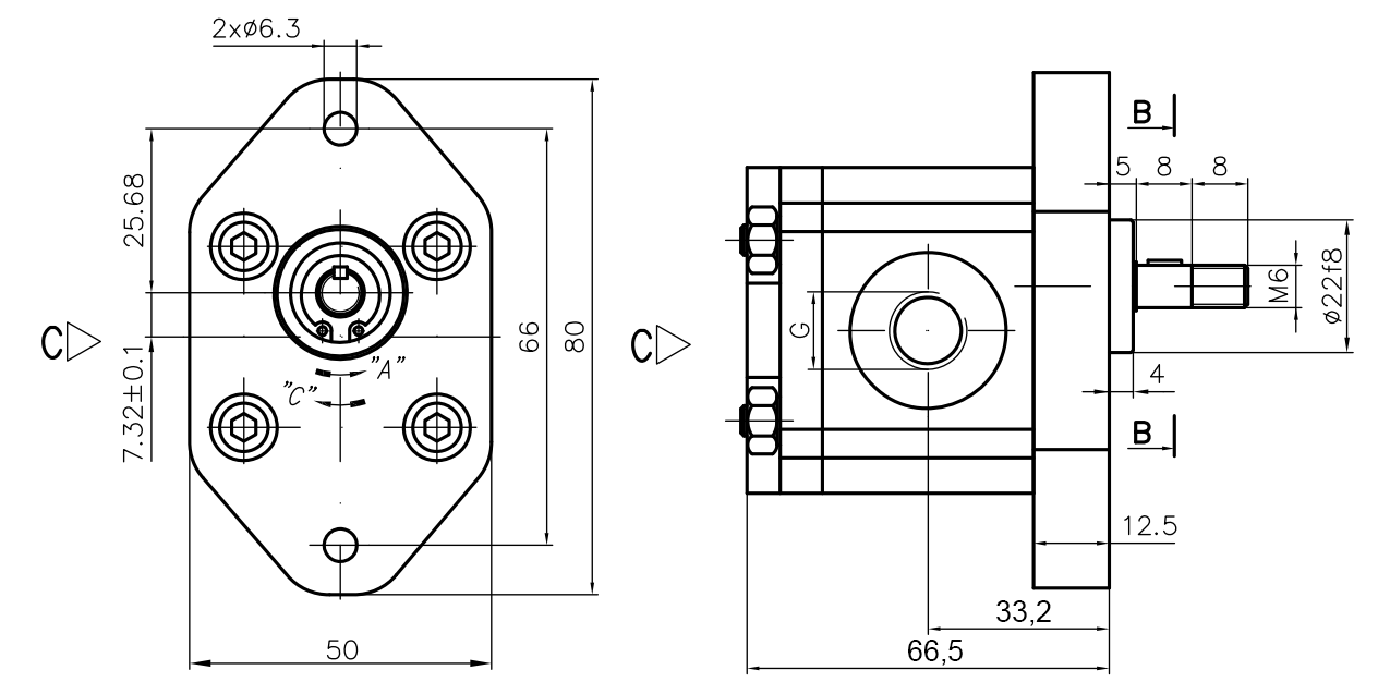
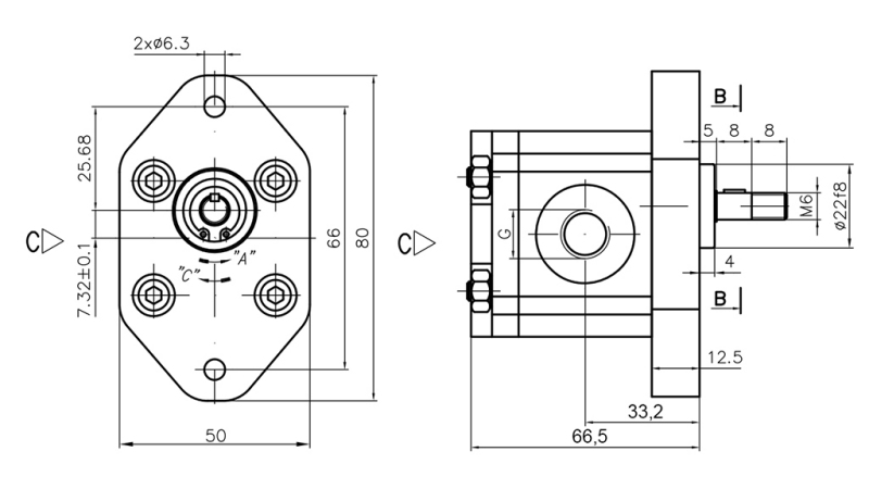
| Tehniline teave | |
| Hankija: | Türgi |
| Tagastus või vahetus: | Võimatu |
| Garantii: | 6 kuud |
| Mudel: | 00C1.5X032 |
| Pöörlemissuund: | Parem (C) |
| Tühermaht: | 1,5 cm3/rev |
| Suurus: | GR.0 |
| Kiirus: | maks. 2500 p/min |
| Sisselaske-/väljalaskekeerme suurus: | 1/4" (sisend ja väljund) |
| Nimipinge: | 175 bar |
| Vooluhulk: | 2,1 l/min 1500 p/min juures ja 3,5 l/min maksimaalse p/min juures |
Kirjeldus
Hüdraulikapumbad on iga hüdraulikasüsteemi keskne komponent, sest need muudavad mehaanilise energia hüdrauliliseks energiaks. Neid kasutatakse paljudes valdkondades, nagu põllumajandustehnika, ehitusmasinad, tööstusseadmed ja transpordisüsteemid.
Meie pakkumises leiate kvaliteetsed hammasrattaga hüdraulikapumbad erinevates suurustes (GR), tühermahtudes ja konfiguratsioonides, tagades usaldusväärse töö, pika kasutusea ja lihtsa paigalduse. Need tagavad stabiilse õlivoolu, kõrge tõhususe ja minimaalsed kaod, mis aitavad kaasa kogu süsteemi optimaalsele jõudlusele.
Mõõtmed










