Нови артикули
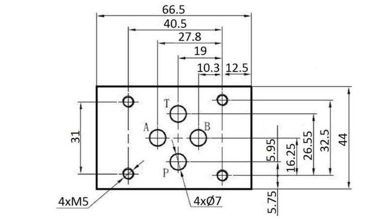
РЕГУЛАТОР НА ПОТОК CETOP 3 ИЗХОД
Код:
13112
OEM:
9990000087648
Данъчна ставка
22 %
Цена без ДДС:
49,18 EUR
Цена с ДДС:
60,00 EUR
Ref:
6
Описание:
Регулаторът на поток Cetop 3 се инсталира между основата и клапана. Използва се за регулиране на потока.
Доставчик:
Испания
Връщане или размяна:
14 дни
Тегло на продукта:
1.06 кг
Гаранция:
6 месеца
Макс. поток:
80 л/мин
макс. налягане:
315 бара







